
The MediSAP™ ( Medical Super Absorbent Polymers) are prepared by a unique chemical process of emulsion polymerization whereby the final product is made of tiny spherical particles that — when viewed under an SEM microscope — contain a myriad of channels.
Product Advantages
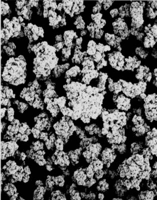
The MediSAP™ ( Medical Super Absorbent Polymers) are prepared by a unique chemical process of emulsion polymerization whereby the final product is made of tiny spherical particles that — when viewed under an SEM microscope — contain a myriad of channels. These channels provide a large particulate void volume and a means by which water and large molecules can be rapidly absorbed.


Two versions of the product are available and differ mainly by the speed of hydration.
| MediSAP™ 661 | MediSAP™ 715 | |
| Absorption Capacity (g/g) (1% NaCl) | 55 – 65 | 55 – 65 |
| Speed of Hydration (sec) | 25 – 35 | < 10 |
| Particle Size Distribution: | ||
| 850 µm | 0 | 0 |
| 500 µm | 3 | < 1 |
| 250 µm | 65 | 28 |
| 180 µm | 25 | 60 |
| 106 µm | 6 | 5 |
| Screen | < 1 | < 1 |
For additional information call us at 847-836-1393.